Dear Editor, Editor's Review, Workbench (Dec. 1972)

Home | Audio mag. | Stereo Review mag. | High Fidelity mag. | AE/AA mag.
Departments | Features | ADs | Equipment | Music/Recordings | History

Dolby Broadcasting

Dear Sir:

While going over some back issues of your excellent publication, I read a very interesting letter in the January 1972 edition on the pros and cons of Dolby "B" processing of FM stereo broadcasts. As we have had some small experience in this medium, we'd like to add some comments to the writer's conclusion that it wasn't worth the trouble.

It is extremely frustrating to live 50 or 60 miles from the only FM station in the area, or from the only station with programming one enjoys. Just as the cassette tape medium is dramatically improved by Dolby "B" encoding/ decoding, so will fringe-area reception be improved, although crosstalk from other channels, flutter fading, and multipath problems won't be helped a bit. One engineer suggested that what FM stereo really needs now is the abolition of the steep pre-emphasis curve, and the mandatory imposition of Dolby. At least one manufacturer has announced a simple, cheap Dolby circuit in chip form, which could add not more than $10.00 to the cost of a new tuner. But, alas, since the FCC would be more concerned (and perhaps rightly so) with the compatibility of such resulting broadcasts with the countless numbers of tuners in existence, it shall never be... . What appears to me to be a major stumbling block to hinder the use of the Dolby process is the wide-spread use of high-frequency clippers/limiters, such as the CBS Labs "Volumax" and the Fairchild "Conax," which roll off the treble response in proportion to the input level, in order to reduce the danger of overmodulation. Most FM listeners are totally ignorant of such devices, and my experience shows that fewer still can perceive their operation until they have the technique explained and demonstrated.

For a small core of audio purists (myself included), the resulting sound is highly unpleasant and unmusical, and we sit back in our chairs grumbling about the listening fatigue from high-frequency square waves and wish that the stations would simply cut their overall dynamic range back a few dB instead. Imagine the sound of a Dolbyized broadcast on a station which also employs a "Volumax," as heard on a non-Dolbyized receiver: the low passages are crisply over-brilliant, and the fortes are by contrast horribly dull and wooden. No amount of tone-control manipulation could possibly restore original sonic balance.

I am also pessimistic regarding Dolby FM from a personal experience. After promoting a special two-hour long program in not only Dolby "B" encoded sound, but also utilizing E-V 4 encoded tapes and discs, and running the show in great anticipation of listener approval, we received not ONE comment from any listener, though our engineer loved it. We customarily hear from many enthusiastic supporters of our popular and classical music programs, but to our total surprise, this special effort drew a complete blank. Nobody cared to let us know, though we literally begged for phone and letter response, how the program appealed to his audio sensibilities with or without Dolby in the playback.

A further quadraphonic show the following week, says Dolby, drew so many calls we couldn't answer the phone and run the board at the same time. Maybe it was an especially good television night... . Now that I think of it, perhaps Dolby in TV audio?

-Stephen R. Waldee, Classical Program Director, Peninsula Broadcasting/KPEN San Francisco, Calif.

We understand that, among others, WQXR in New York and WFMT in Chicago, have been extremely satisfied with the results of their tests. We would be interested in hearing from other station personnel about their experiences. -Ed.

Dolby Cassette Deck

Dear Sir: In the cassette and cartridge recorder section of your September 1972 Directory issue (pages 94 to 98) you correctly indicate in the column which lists Special Features that the following cassette machines incorporate Dolby noise reduction: Advent 201, Advent 202, Concord Mk-7, Harman-Kardon CAD-5, and Hitachi TRQ-2000. By use of the code letter "D" to identify other machines with Dolby, you were using a symbol which many readers might have missed, for by failing to make any indication, readers might not realize that all of the following machines listed in your Directory also have the Dolby circuits built into them: AKAI GXC-65D, Concord Mk-IX, Fisher RC-80B, Harman-Kardon HK-1000, Kenwood KX-700, Lafayette RK-D40 Panasonic RS263US, RS277US, and RS276US, Pioneer CT414ID, Radio Shack SCT-6, Sansui SC-700, Sanyo RD-4300, Sony TC-134SD and TC-160SD, Tandberg TCD-300, TEAC A-350 and A-250, and Wollensak 4760A. In addition to those in your table, seven more machines with the Dolby circuits are available in the United States. These are: AKAI GXC-46D, Beltek M-1150, Bigston BSD-200AS, Panasonic RS271US and RS279US, Sharpe RTX-3000, and Wollensak 4780. Because your Directory issue is so widely used in the industry for reference purposes throughout the year, I hope that you will bring this information to the attention of your readers through your letters column.

Dolby Laboratories, Robert Berkovitz, Dolby Laboratories, London, Nagra Magnetics is located at 19 W. 44th St., New York, N.Y. 10036.

Audio Research

Audio Research points out that the price of their Magneplanar speaker systems is $995.00 a pair and not $995.00 each as might be thought from the September Directory.

=============

Editor's Review


So ANOTHER New York Audio Show has come and gone. This was held in the Statler-Hilton and must be rated as a resounding success in spite of the difficulties involved in moving several thousand people through a confined space. Among the new or recently introduced products shown were the Crown dynamic-electrostatic speakers, the Harmon-Kardon Dolby tuner, and the Fisher Studio 2/4-channel receivers. Sony was demonstrating their new FM tuner which has no less than 100 push buttons--one for each channel. Other features include a memory bank. The price is $1200.00. Another exotic tuner which attracted much attention was the long-awaited Sequerra, which costs $1600.00 and incorporates a display tube. Saul Marantz was demonstrating two speaker systems designed by Jon Dahlquist. One was a full-range electrostatic with piezo tweeter, and the other was a dynamic system styled rather like the Quad speaker. Both sounded clean and very smooth.

Benjamin- Concord introduced a Nakamichi professional cassette recorder which is intended to compete with 15 ips studio machines. It uses two motors with 1C logic control, three heads, and a Dolby system plus dynamic noise limiter (DNL). Wow and flutter is quoted as less than 0.1% and response is 3 dB down at 20 kHz.

[*Not forgetting RCA's Quadradisc!]

Phonics, Sonics, and Semantics

The word Quadraphonic seems to have been generally accepted, not only in this country but all over the world. However, there still are objections from pedants who say it is a Latin-Greek hybrid and the correct prefix should be Quadri.

Quite true, but there are many hybrids in our language-television and superheterodyne for example. As for quadri, it does not roll off the tongue so easily as quadra, which is probably why there are such words as Quadraflex, Quadra-sound, and Quadrajet. * Quadrasonics gives the impression of four sounds instead of four sound sources, and it does not conform with stereophonic and monophonic. Tetrasonics does not conform and tetraphonic is too unwieldy and does not abbreviate that well. Language is a living thing, it is constantly changing and cannot remain static. Its purpose is to communicate clearly and unambiguously and whether a certain word is derived from two sources is irrelevant-or so it seems to me. On the other hand, I am opposed to careless and confusing semantics such as album for a single record, alibi for excuse, and the common use of the conjunctive like for as. But I see no ambiguity in the word quadraphonics, none at all. Satis verborum.

Percy Wilson, who contributes a short article in this issue, is one of the best known pioneers in the field of sound reproduction. He was technical editor of The Gramophone for many years and designer of a large 40-ft. horn speaker which was considered the state-of-the-art around 40 years ago.

This monster was housed in London's Science Museum and every Sunday afternoon records were played there to the hi-fi enthusiasts of the day. Mention of The Gramophone reminds me of the report of an instrument designed by one professor McKendrick which appeared in that august journal back in 1923. It seems that the professor "had invented a gramophone in which he entirely eliminated scratch by passing the sound through 40 feet of tubing filled with peas; the peas absorbed all the scratch and nearly all the other sound. What remained of the other sound was then magnified by valves and the results are said to have been absolutely perfect." It was not stated whether the peas were cooked or not, but in any case the ingenious professor seems to have anticipated the Dolby system by a good many years!

* * *

A Merry Christmas to all, but especially to Professor Lirpa (whom God preserve), Mr. and Mrs. McProud (Mac and Betty) in sunny Florida, and to Leon Schiffman, who celebrates 44 years with the same company--the Lafayette Corp.

G.W.T.

======

THE WORKBENCH

Heathkit Microwave Oven

I must confess that I hesitated before giving up the time and space to a report on a microwave oven, but then I thought, well, it is an electronic kit and who is more competent to make such things than the audio enthusiast? Besides, we did publish a cookbook several years ago, and so went ahead.

Unlike most other Heathkits, there is not a great deal of money to be saved by building this one but there are other advantages. You can service it if it gives trouble (that can save quite a bit), and there is still that satisfaction in doing it yourself. A man can acquire a little prestige by building a receiver or amplifier but one who builds a microwave oven is really respected in domestic circles! The Heathkit GD-29 has an oven space of 8 in. high by 14 in. deep and 15 1/2 in. wide. Energy is supplied by a magnetron working at 2450 MHz with a peak power of 650 watts. Food in the oven absorbs the microwave energy producing heat which cooks the food. Heating is confined to the food itself and the cookware does not heat-except by contact with the food. Thus, food can be cooked on paper plates, glassware--even on paper towels if so desired. The magnetron is coupled to the oven by a waveguide, and underneath this is a metal stirrer, which deflects the microwaves in all directions to give even heating. Figure 1 shows the basic arrangement. A fan draws air in through a filter on the back panel to keep the magnetron cool.

Questions frequently asked are, how safe are microwave ovens? Are they a health hazard or not? Well, there is no doubt that microwave radiation can be dangerous; if both safety switches were disconnected and you put your hands into the oven, they would receive burns-so they would if you put them in an ordinary oven! Prolonged exposure to low power radiation can also cause trouble so the FCC has laid down standards of leakage from microwave ovens and other equipment. Stringent precautions are taken with the GD-29 and a safety interlock switch is fitted to the oven door on one side and another is fitted on the door handle.

Both these switches are connected to the primary of the power transformer. The door seal is made of conductive vinyl material and other precautions include a plastic door baffle and a capacitive door seal mounted on the door. The FCC regulations stipulate that maximum radiation must be less than 1 mW/cm2 at a distance of 5 cm, so after the oven was finished the actual radiation was checked using a borrowed Narda Radiation Survey Meter. It was very difficult to get any reading at all and the maximum was not much more than the thickness of the pointer or less than one one-hundredth of the FCC figure.


Fig. 1-Showing basic layout.

Circuit Details


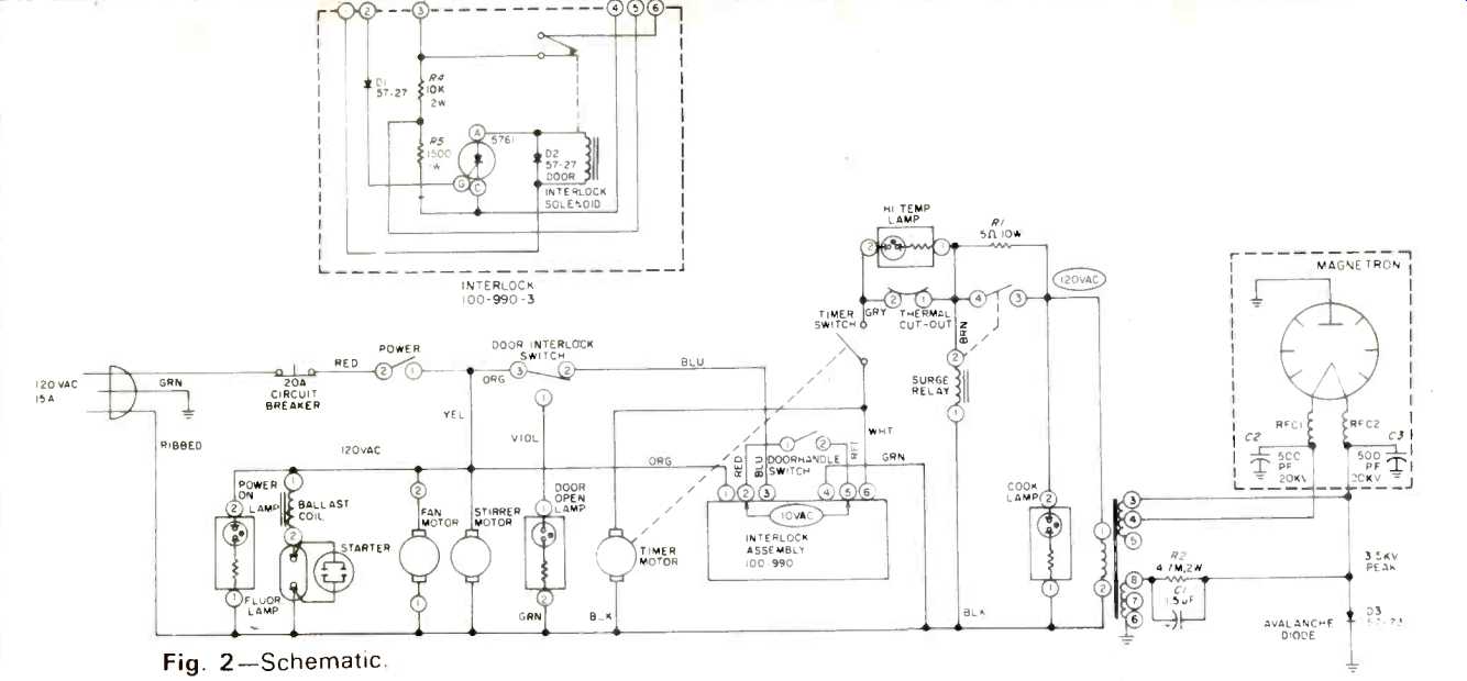
Fig. 2-Schematic.


Fig. 3--Part of high voltage section.


Fig. 4.

Figure 2 shows the circuit and it will be seen that the electronic section comprises a high voltage supply, interlock solenoid assembly, indicator lights, timer switch, fans, thermal cut-outs, and so on. The high voltage section is shown in Fig. 3. The device on the right is an avalanche diode which rectifies the high voltage (3.5 kV) for the magnetron.

The interlock assembly with its SCR is shown in Fig. 4. Gate voltage is supplied via the door handle switch and the SCR then conducts, energizing the relay which releases the door.

The manual is written in the usual Heathkit manner with step by step instructions with large pull-out diagrams. Al though there is a fair amount of wiring, most of the time was taken up with the mechanical assembly, mounting the various switches, and so on. No particular problems were experienced and the total time from assembly to hamburger, so to speak, was 16 hours-spread over three weekends. One word of warning-don't forget the magnetron contains two powerful magnets, so take off that wristwatch! After the initial tests, the operational check was made.

This is equivalent to hearing music from a newly built receiver and in this case, it consisted of Boiling a Glass of Water. Just as exciting really-after two minutes, there were the bubbles, so everything was fine and the oven was passed over to Mrs. Editor for the performance tests.

Cooking Tests

Being a keen and enthusiastic cook, I was thrilled to get the chance of trying one of the Heathkit microwave ovens.

I found it a great time-saver and still marvel at the ease and speed of cooking in this oven-and no messy clean-ups, no burnt-on food spills. The oven and dishes stay cool, only the food gets hot.

I enjoyed the novelty of taking frozen hamburgers from the freezer, placing them in frozen buns, and popping them on a paper plate and into the oven. Set the timer for 5 minutes and before the coffee has finished perking, the electronic timer is gently pinging and all is ready for eating.

A beef roast is another time-saver, at 5, 7, or 9 minutes per pound, according to preference for rare, medium, or well done. Baked potatoes also cook quickly. One potato takes 5 minutes; two, 8 minutes, and four, 16 minutes. Length of cooking time depends on quality as well as on size.

A beef stew can be ready in a total of 23' minutes of cooking time, but I was irritated by the constant attention this dish needs. Every 5 or 6 minutes, it was necessary to add something, stir it, or turn the dish. Most dishes need to be rotated two or three times while in the oven to insure even cooking throughout.

I was fascinated when making a layer cake to watch the mixture rise before my eyes immediately on closing the oven door, to be cooked in 5 minutes. But, like all foods cooked in electronic ovens, cakes are not browned when cooked. If you like your baking done to a nice golden brown color, you still need a regular oven.

If you have a family with irregular meal times, here you will find this type of oven most useful. Simply serve all the food, when ready, on regular china plates and set aside.

When the late-corners arrive, put the dinner, as is, in the oven for 2 or 3 minutes. The food will taste fresh cooked and will not be dried out. Another advantage is the fact that the oven does not heat up the kitchen-a big plus in hot weather.

An excellent little cookbook comes with the oven and if one follows the step-by-step instructions for preparation and cooking time, it is impossible to go wrong.

Price: $379.95; optional roll-around cart, $27.50.

-P.V.T.

=======

(Source: Audio magazine.)

Also see:

Editor's Review (Feb. 1973)

= = = =

Prev. | Next

Top of Page    Home

Updated: Wednesday, 2026-01-28 18:04 PST